Seite 1 von 3
Zusatzlüfter für PC PWM gesteuerte Lüfter
Verfasst: Mo 31. Aug 2020, 21:17
von Admin
Ich habe gerade mal meinen Zusatzlüfter für den PC umgerüstet. Vorher hatte ich nur einen 220V Lüfter, der Temperaturabhängig von der PC CPU bei größer 50 Grad eingeschaltet und bei kleiner 40 Grad wieder aus.
Jetzt habe ich stufenlose PWM Reglung von zwei 12 Volt Lüftern, die ab größer 25 Grad Fahrt aufnehmen und bei 100 Grad Vollgas fahren. Ich muss die Werte noch testen und abstimmen. Das ist also nur eine erste Testfahrt damit. Ich benutze dafür die Temp. Sensoren DS18B20, und das LCD - Display 4x20 Zeichen.
Hier mal das erste Programm dazu für den Arduino MEGA:
http://html.franz-koehler.de/PC_Temp_Lu ... _MEGA.html
Hier mal das erste Programm dazu für den Arduino UNO:
http://html.franz-koehler.de/PC_Temp_Lu ... r_UNO.html
Da gibt es 2 PWM-Pins beim Mega 11+12 die ich benutze. Beim Uno sind es die PWM-Pins 9+10. Ich fahre im Moment mit dem UNO messwert1 auf PWM9, mit Messwert2 auf PWM10. Ich denke bei messwert2 an die Raumluft, die bei mir unterm Dach schon mal mehr als 30 Grad bekommen kann. Dann möchte ich damit bei hohen Raumtemperaturen vielleicht zusätzlich auf die Lüfterdrehzahl einwirken. Ob das sinnvoll ist, weiß ich noch nicht. Aber das wird sich bei den Tests ja vielleicht herausstellen. Im Moment sind es einfach nur zwei Temp. Sensoren mit zwei Lüfter PWM Ausgängen.
Franz
PS: Ich habe im Moment eine Messfehlerkorrektur im Programm eingebaut, die nur zur Geltung kommt, wenn dieser Messfehler auftritt. Das ist bei mir wohl ein Hardware Problem. Die Kabel die zu den Lüftern führen bringen wohl Störungen in die Messfühler Leitungen. Jedenfalls ist das im Mom. die Vermutung. Da werden Plözlich -127 Grad als Messergebnis ausgegeben. Da das bei den Temperaturen im PC und im Raum nicht plausibel ist, gebe ich einfach in dem Moment wo das Messergebnis kleiner "0" ist, bei der CPU Temp. 40 Grad aus, und wenn es die Raumtemperatur betrifft gebe ich dafür 30 Grad aus. Ich habe den Korrekturteil im Programm auch entsprechend bezeichnet (Messfehler Überbrückung). Dass man das leicht finden kann.
Ich habe die Display Aufteilung nochmal verändert. Das hat mir so nicht gefallen. Ich finde es jetzt wesentlich übersichtlicher. Ist natürlich immer oben im Link vom Programm auch geändert. Der ist also aktuell.
Re: Zusatzlüfter für PC PWM gesteuerte Lüfter
Verfasst: So 13. Sep 2020, 16:10
von Admin
Inzwischen habe ich das Programm nochmal deutlich verändert. Im Display ist in der ersten Spalte beim Lüfter wird jetzt nicht nur die Zuordung des Lüfters zur Funktion CPU - Temperatur - Kontrolle, oder Raum - Temperatur - Kontrolle, sondern jetzt auch noch die Lüfternummer angezeigt.
Ein Programmteil kontrolliert jetzt immer die Lüfter - Beanspruchung. Wenn die Lüfter eine Stunde gelaufen sind, wird die Zuordnung der Lüfter zur CPU oder zum Raum, getauscht. In der Regel hat der Lüfter, dessen Drehzahl von der CPU Temperatur abhängig ist immer viel mehr zu leisten, als der zweite Lüfter, der nach der Raumluft geregelt wird, und somit nur ein "Hilfslüfter" ist. Durch das regelmäsige tauschen der Aufgaben, hat jeder Lüfter gleich viel zu tun, so dass nicht einer dauernd KO geht, und der zweite seine Freizeit genießt.
Aussderm habe ich noch eine Kontrolle ins Programm eingebaut, die dafür sorgt, dass das Programm merkt, wenn die CPU trotz hoher Lüfterdrehzahl nicht abkühlt. Dann reagiert das Programm, indem es den zweiten Lüfter auf die selbe Drehzahl anhebt, wie den CPU Lüfter. Es wird dann auch im Display angezeigt dass beide Lüfter mit hoher PWM Geschwindigkeit arbeiten. Man sollte dann mal kontrollieren, ob auch wirklich beide Lüfter in der gleichen Drehzahl arbeiten, oder einer vielleicht defekt ist.
Franz
Re: Zusatzlüfter für PC PWM gesteuerte Lüfter
Verfasst: Do 17. Sep 2020, 20:03
von Franz54
So, ich habe jetzt das Gerät nochmal neu gebaut. Habe aber als Lüfterkabel ein Cat.6 Kabel verwendet, und den Schirm am Arduino auf Masse gelegt. Ausserdem habe ich als Kabel für die Temp. Sensoren ein Cat.6 Patchkabel verwendet. Das Gerät ist jetzt heute den ganzen Tag Störungsfrei an meinem Arbeitstisch gelaufen und morgen werde ich dann das alte Gerät durch das neue ersetzen. Dieses PWM Gerät wird wegen der Lüftermotoren mit einem 12Volt Netzteil versorgt und der Rest, Arduino, die beiden Mosfet Button IRF520, sowie das I2C-Diplay LCD 4x20 Zeichen, wird mit einem DC/DC Regler versorgt, der aus den 12 Volt die 5 Volt macht.
Hier sind noch die Links zu den verwendeten Teilen:
https://www.ebay.de/itm/LCD-2004-Blau-H ... %7Ciid%3A1
https://www.ebay.de/itm/3x-LM2596S-DC-S ... 1438.l2649
https://www.amazon.de/IRF520-Treibermod ... 9498905504
https://www.az-delivery.de/collections/ ... cts/uno-r3
https://www.ebay.de/itm/DC-12V-1A-2A-3A ... %7Ciid%3A1
https://www.ebay.de/itm/3x-DS18B20-Wass ... %3A2334524
Das waren ohne die Lüfter und Gehäuse etwa 40,- Euro
Das Alte zerlege ich dann wieder, und kann die ganzen Einzelteile ja wieder für was neues verwenden.

Ich mache mich auch die Tage noch an eine Programm-Änderung, weil ich bisher die Seriennummern beim Auslesen meiner Sensoren nicht berücksichtigt habe, sondern das Programm einfach nur veranlasst habe, die Reihenfolge der Sensoren automatisch abhängig von den Seriennummern zu machen. Das kann einem aber auf die Füße fallen, wenn man mal einen Sensor tauschen muss und sich dann eine andere Rangfolge der Sensoren ergibt.
Franz
Hier sind noch zwei Bilder vom neuen Gerät:
http://bilder.franz-koehler.de/DSC01224.JPG
http://bilder.franz-koehler.de/DSC01225.JPG
Hier noch das ältere Gerät mit der schlechten Darstellung im Display:
http://bilder.franz-koehler.de/DSC01213.JPG
Hier habe ich noch das ganz alte Gerät, das noch den 220Volt Lüfter mit einem Relais eingeschaltet hat. Die Steckdose am Bild wurde vom Relais geschalten:
https://arduino-fan.de/assets/images/Te ... ierung.jpg
Re: Zusatzlüfter für PC PWM gesteuerte Lüfter
Verfasst: So 20. Sep 2020, 09:52
von Franz54
PS: Ich habe noch eine Änderung vorgenommen. In meinem Programm hier, werden die Sensoren nicht nach festen Adressen ausgelesen, sondern das Prgramm macht die Reihenfolger der Sensoren nach der Adresse. Ist die Adresse des Sensors niedriger wird der automatisch als Sensor 1 behandelt. Ist seine Adersse höher als die andere, ist es automatisch Sensor 2. Wenn jetzt ein Sensor defekt ist und daher ausgetauscht werden muss, hat dieser dann ja eine neue Adresse, und dadurch kann sich die Zuordung der beiden Sensoren verändern, also sie werden vertausch. Also nach den Tauschen eines der beiden Sensoren gegen einen neuen, ist plötzlich die Zuordung Sensor 1 und Sensor 2 vertauscht. Das merkt man im Display, weil dann die hohe Temperatur der CPU plötzlich in der Raum Zeile steht, und die niedrige Raumtemperatur plötzlich in der CPU Zeile.
Dafür habe ich im Programm jetzt oben in der Deklaration den Punkt "sensortausch=X". Da kann man die sensoren 0 und 1 tauschen, indem man dort eine "0" oder eben eine "1" reinschreibt.
Hier das Programm dazu für den Arduino MEGA:
http://html.franz-koehler.de/PC_Temp_Lu ... _MEGA.html
Hier das Programm dazu für den Arduino UNO:
http://html.franz-koehler.de/PC_Temp_Lu ... r_UNO.html
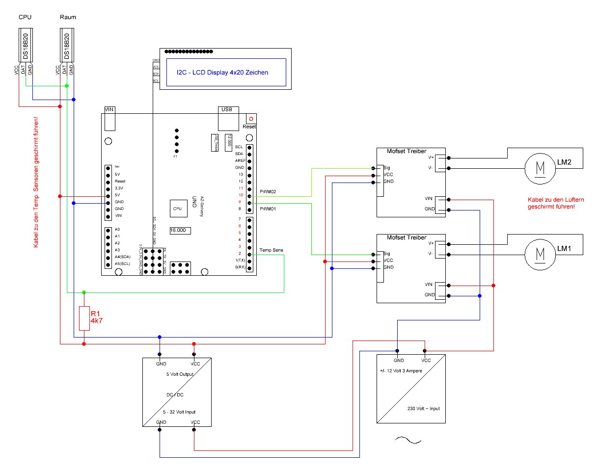
Hier noch die Schaltung dazu:

- Lüfterregler für PC.JPG (122.74 KiB) 10983 mal betrachtet
.
.
Hier habe ich mal eine kleine Spassarbeit gemacht. Dieser Schaltplan dürfte so machen Nichttechniker freuen, weil man damit leichter die Übersicht hat. Besonders, wenn man die selben, oder ähnliche Teile verwendet.
.
.

- Lüftersteuerung_V02.JPG (268 KiB) 10943 mal betrachtet
Re: Zusatzlüfter für PC PWM gesteuerte Lüfter
Verfasst: Mo 7. Dez 2020, 18:28
von HRKRG
Habe schon mal geschrieben per mail
habe mich angemeldet
benutze ein uno
habe alles so gebaut wie beschrieben Leider ist es so das um so höher die temperatur um so langsamer läuft der lüfter
aus dem irf520 kommen beim lüfter 5v raus obwohl 12v anliegen.
aus dem PWM 9 kommen am mosfet treiber maximal 0,8 bis 1,1volt raus
wo ist der fehler
möchte gerne 2 lüfter seperat laufen lassen müssen nicht umschalten
wer kann helfen
mit freundlichen gruß
h.r.krüger
Re: Zusatzlüfter für PC PWM gesteuerte Lüfter
Verfasst: Di 8. Dez 2020, 15:14
von Admin
Hallo
Was hast du da als Treiber dran? Ein komplettes Modul, wie das hier,
https://www.amazon.de/IRF520-Treibermod ... 9498905504, oder selber gebaut mit nem Mofset. Dann wäre eine Schaltung nicht schlecht, dass ich sehe, wie du den Mofset angeschalten hast.
Hast du auch das Display wie bei mir eingebaut, dass du die ermittelte Temperatur sehen kannst? Wenn nicht solltest du den ermittelten Wert wenigstens per "serial.prinln()" ausgeben, dass du den Wert sehen kannst.
Franz
Re: Zusatzlüfter für PC PWM gesteuerte Lüfter
Verfasst: Di 8. Dez 2020, 17:23
von Franz54
Wenn du am Serial.println() nur -127 bekommst, dann stimmt was mit deiner DS18B20 Sensor Anschaltung nicht.
Franz
Achja, noch was. Wenn du bei PWM Spannung von 10 Volt nur 5 Volt messen kannst, heißt das nicht, dass es 5 Volt sind. PWM solltst du mit dem Oszi messen. Dann bekommst du den wirklichen Wert. Bei 12 Volt -> 5 Volt am Ausgang ist aber auch da noch ungewöhnlich.
Re: Zusatzlüfter für PC PWM gesteuerte Lüfter
Verfasst: Mi 9. Dez 2020, 17:16
von HRKRG
Hallo
schönen Dank für die Antwort
ich wollte Bilder schicken datei zu groß welche größe geht den
ich habe nach ihren schaltplan gebaut die lüftger laufen
bei PWN 223m (100C)geht 10v an die lüfter aber es laufen alle beide mit PWN 223 obwohl ich nur eine fühler erhitze
anderrn fühler 40 C
wie kann man die trennen im Programm das ist was ich suche
kann man das programm etwas umschreiben ich begreife es nicht wie man das machen könnte
m.f.g.
Herms Rolf Krüger
Re: Zusatzlüfter für PC PWM gesteuerte Lüfter
Verfasst: Fr 18. Dez 2020, 21:32
von Admin
Ja, wenn der CPU Fühler 100 Grad misst, laufen beide Lüfter mit der selben Drehzahl, weil die Lüftersteuerung bei 100 Grad alles tut um die CPU runter zu kühlen. Die Spannung, die bei PWM auf die Motoren abgegeben wird, ist übrigens immer die selbe. DIe Motordrehzahl wird dadurch geregelt, dass die Spannungsimpulse, die der Motor bekommt, verschieden lang sind. Seltsam ist, dass du 12 Volt an den Motortreiber gibst, aber nur 10 Volt am Motor ankommen. Aber wenn du das mit einem gewöhnlichen Messgerät prüfts, kannst du bei PWM auch die Spannung nicht wirklich messen. Dafür benötigst du einen Oszillographen. Oder So ein Messegrät dass ich mal gebaut habe, und hier im Forum auch vorgestellt habe. Das misst die tatsächliche Spannung bei gepulster Gleichspannung.
Ich bin immer noch jeden Tag mit unserem Umzug beschäftigt. Kann mich daher zur Zeit nicht mit dem Programm beschäftigen. Das wird den ganzen Dezember noch so sein. Also anfang Januar habe ich wieder den Kopf frei, für anders.
Das Prgramm war eigentlich mal so, wie du es gerne hättest, aber ich habe eben ein paar Sicherheiten eingebaut, die du dann genau nicht brauchst. Also wie gesagt, im Januar habe ich wieder mehr Zeit.
Grüße
Franz
Re: Zusatzlüfter für PC PWM gesteuerte Lüfter
Verfasst: Mo 21. Dez 2020, 18:31
von HRKRG
währe schön wenn es im Januar klappen würde
schönes Weihnachtsfest
m.f.g.
H.R.Krüger